Piping Design & Engineering
Discrete Design Lab delivers end-to-end piping engineering and plant design solutions for process industries, with a focus on accuracy, compliance, and constructability.
How We Help You Grow
- Process Equipment 3D Modeling & Plant Layout Engineering
- Piping Design, Routing & Instrument Integration
- P&ID & PFD creation and modification
- Piping Class Specification (Spec) Development & Management
- Isometric Detailing & General Arrangement (GA) Drafting
- Material take-off (MTO) and BOM preparation
Software
- AutoCAD Plant 3D
- Navisworks
- Supporting CAD tools for precision and detailing
Our Projects
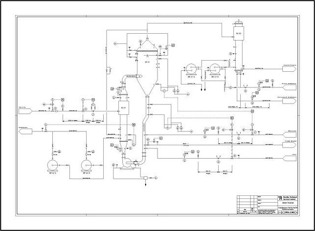
Lithium Plant P&ID Drafting & Modification –
Confidential Client
Scope of Work :-
- P&ID Drafting & Modification from AutoCAD 2D files
- ISO Drawing creation
Key Deliverables :-
- P&ID DWG File & PDF
- Line List
- Valve List
- Control Valve List
- Equipment List
Software & Tools Used:-
- AutoCAD Plant 3D
- AutoCAD
AutoCAD Plant 3D Piping Specification Development – Confidential Client
Scope of Work :-
- Creation of custom piping specifications in AutoCAD Plant 3D based on ASME B31.3 code requirements.
- Configuration of pipe classes, materials, fittings, valves, and flanges.
- Integration of company-specific standards into Plant 3D catalog.
- Testing and validation of specs in sample models.
Key Deliverables :-
- Complete Piping Spec File (.pspx)
- Material Cataloge (.pcat)
- Pipe Class Documentation & Data Sheets
- Compliance Report with ASME B31.3 Requirements
- Demo Project with Configured Specs
Software & Tools Used:-
- AutoCAD Plant 3D
- Microsoft Excel (for bulk data import/export)
- ASME B31.3 – Process Piping Code reference
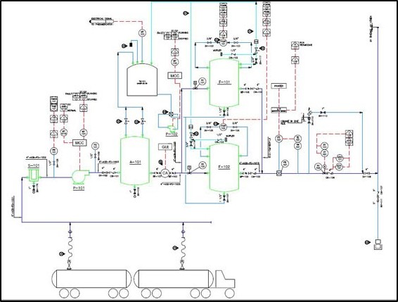
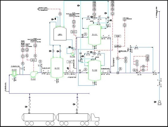
Hydrogen Plant Plant Piping & Equipment Layout – Confidential Client
Scope of Work :-
- P&ID Drafting & Modification.
- Equipment Modeling & Pipe Specification work.
- Piping Design, Routing & Instrument Integration as per P&ID.
- ISO Drawing.
- Plant Layout & GA Drawings.
Key Deliverables :-
- 3D Equipment & Piping Models
- P&ID Updates
- Pipe Spec Sheets
- GA Drawings & Isometrics
Software & Tools Used:-
- AutoCAD Plant 3D
- AutoCAD
- Navisworks
Why We’re Different
End-to-End Design Expertise
From 3D equipment modeling to P&ID development, routing, specs, and deliverables.
Industry-Standard Software
Skilled in AutoCAD Plant 3D and relevant engineering tools.
Precision & Compliance
Designs adhering to ASME, ISO, and client-specific standards.
Optimized for Efficiency
Layouts that reduce material usage, installation time, and maintenance costs.
Proven Experience
Delivered solutions for live industrial projects in process plants and thermal systems.
Collaborative Approach
Flexible to integrate with your in-house team or handle complete project scope.
Ready to engineer your next project?
Contact our technical team today to discuss your piping, CAD, and simulation requirements.
